Main Office: 602-269-9211
Home
About Us
Contact Us
Molds
Besser Style Mold Parts
Columbia Style Mold Parts
Pallet Scrapers
New Pallet Scrapers
Replacement Parts
Feed Drawers
Besser Feed Drawers
Columbia Feed Drawers
Custom Work
Plasma Cutting
Surface Grinding
Welding & Fabrication
CNC Milling &Turning
search
0
shopping_cart
Home
>
Products
>
Molds
>
Columbia Style Mold Parts
>
Standard 8" Block - DC8816-1501
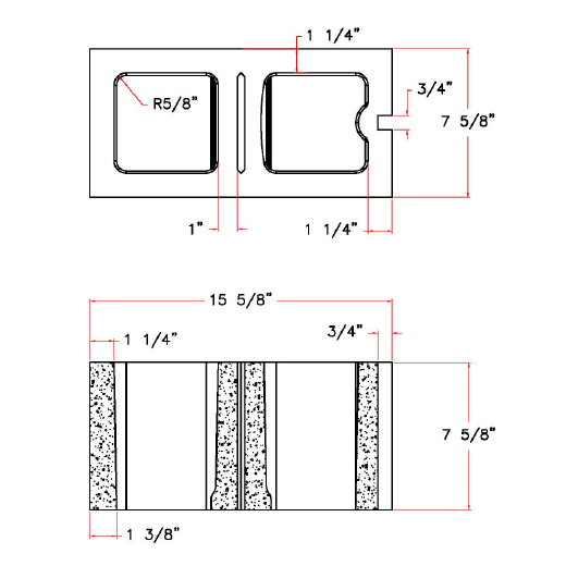
Standard 8" Block - DC8816-1501
Description
Square Core, Plain End, Bubble Sash, Splittable, Hand Holds Center Tie
QTY
Part Number
Description
D693055.15
Corebar Assembly
D600048
Endliner
D600049-W
Sash Endliner
D693055.05
Stripper Shoe
D697683.13
Plunger